Распределительные коллекторы HANSA HKV 160 мм средней мощности 2 отопительных контура
2 отопительных контура
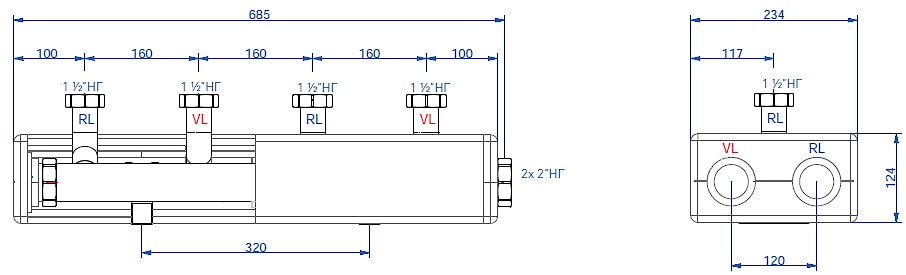
Распределительные коллекторы HANSA HKV 160 мм средней мощности из нержавеющей стали в EPP-изоляции применяются в отопительных системах с несколькими отопительными контурами. Как распределители малой мощности HKV 125 мм, так и распределители средней мощности HKV 160 мм могут соединяться друг с другом параллельно. Благодаря этому они достигают удвоенной мощности по сравнению с первоначальной. Соединение происходит посредством Т-образного соединительного элемента из нержавеющей стали, который поставляется опционно.
Технические характеристики:
- Монтажная длина с изоляцией: 637 мм;
- Коллекторы изготовлены из нержавеющей стали 1.4301 (2 x DN50);
- Диаметр Ø 54 х 1мм;
- Подающий и обратный коллекторы расположены
параллельно; - Термически разделены в EPP-изоляции согласно закону об энергосбережении EnEV;
- До 4 контуров в одном коллекторе, от 5 контура соединяются последовательно;
- Межосевое расстояние для подключения насосных групп: 160 мм;
- Макс. рабочее давление 6 бар;
- Макс. рабочая температура до 100°C;
- Макс. расход теплоносителя до 7950 л/ч;
- Макс. мощность до 185 кВт (при ΔТ 20 K) и при параллельном подключении до 370 кВт (при ΔТ 20 K).
2 накидные гайки 2" ВР с плоским уплотнением, подключение возможно слева/справа или с разных сторон.
Присоединение насосных групп:
накидные гайки 1½" ВР с плоским уплотнением.
В комплекте поставки:
- 1 распределительный коллектор HKV 160 мм в EPP-изоляции;
- 2 уплотнительные прокладки EPDM 1½" на каждый контур отопления;
- 2 уплотнительные прокладки EPDM 2 ".
|
Технический каталог HANSA. Цены указаны в евро без НДС
производитель
HANSA
Межосевое расстрояние
160 мм
Если вы хотите купить распределительные коллекторы HANSA HKV 160 мм средней мощности , вы можете:




