Автоматический контроллер ATMOS ACD 03

Эквитермический контроллер ATMOS ACD 03 с сенсорным дисплеем предназначен для комфортного управления системой отопления и горячего водоснабжения. Благодаря сенсорному дисплею управление контроллером является интуитивно простым.
Функции управления автоматики управления ATMOS ACD 03:
- прямое управления котлом,
- котловым контуром,
- тремя отопительными контурами,
- горячим водоснабжением ГВС,
- работой солярных установок.
Дисплей контроллера ATMOS ACD 03:
![]() |
1 - кнопка пуска вытяжного вентилятора (выключение / переключение источника) 2 - источник (котел) 3 - индикатор работы вентилятора котла (включено = вращается / выключено =символ не показан) 4 - текущая рабочая температура котла (температура воды на выходе из котла) 5 - температура возвратной воды в котел (если настроена функция управления возвратной водой в котел - контроль возврата) 6 - аккумулирующий бак и температуры в аккумулирующем баке (реальное отображение связано с количеством установленных датчиков и настройкой функций) 7 - кнопка настройки рабочего режима 8 - кнопка настройки требуемых значений температур (отопительные контуры, ГВС) 9 - кнопка входа в меню настроек 10 - кнопка входа в меню «Информация» 11 - время на растопку (розжиг) котла / время для подачи топлива 12 - отображение текущей температуры дымового канала (стандартно не является температурой дымовых газов, в зависимости от места размещения датчика отображается референтная или реальная температура дымовых газов) 13 - выбег вентилятора котла после угасания горелки (BRE) 14 - отображение текущего состояния котлового насоса (включено = вращается / выключено = в состоянии покоя) 15 - точное время 16 - дата и день недели 17 - управление температурой возвратной воды (возвратный контроль или Laddomat / TV вентиль) 18 - символ включения защиты от замерзания 19 - отображение текущей уличной температуры 20 - отображение временной программы для котла (показывает запрос на работу котла - отопление) 21 - сигнализирует включение aвтоматического розжига топлива (одновременно мигает символ ) |
Комнатные термостаты для автоматики управления системой отопления ATMOS ACD 03

1. В комплекте к автоматике управления ATMOS ACD 03 поставляется комнатный датчик ARU5, который предназначен для измерения температуры в помещении. Настенный комнатный датчик следует устанавливать на высоте приблизительно 1.2 - 1.5 м. Для его размещения можно выбрать любую из внутренних перегородок самой холодной комнаты дневного пребывания.
Настенный блок управления не должен размещаться в следующих местах:
• в местах с прямым попаданием солнечного света (с учетом сезонных колебаний);
• вблизи приборов вырабатывающих тепло, например телевизоров, холодильников, настенных ламп, отопительных приборов и пр.;
• на стенах, в которых проходят трубы отопления или горячей воды или нагреваемые дымоходы;
• на дополнительных стенах;
• в углах ниш, стеллажей или за занавесами (из-за недостаточной циркуляции воздуха);
• вблизи дверей в неотапливаемых помещениях (из-за воздействия постороннего холода).

2. Для простого управления отопительным контуром, информирования о настроенных режимах работы, а также для измерения температуры и влажности воздуха в помещении предусмотрена возможность установки комнатного блока управления ARU10. Вращающимся регулятором можно корректировать температуру в помещении. При помощи кнопки можно переключать режимы работы. Комнатный блок управления ARU10 позволяет электронному контроллеру ACD 03 оптимизировать работу системы отопления.
3. Комнатный блок управления с сенсорным дисплеем ARU30 предназначен для интуитивного управления отопительным контуром, информирования о настроенных параметрах и режимах работы, для измерения комнатной температуры и влажности воздуха. При помощи сенсорного дисплея можно выполнять коррекцию температуры в помещении в зависимости от времени, переключать режимы работы с применением предварительно настроенных функций. Комнатный блок управления ARU30 позволяет контроллеру ACD 03 оптимизировать работу отопления.

Для оптимального и экономичного обогрева здания мы рекомендуем вам приобрести комнатный блок ARU5, ARU10 и ARU30 с сенсорным экраном в качестве аксессуара (для каждого отопительного контура), для лучшей регулировки системы отопления.
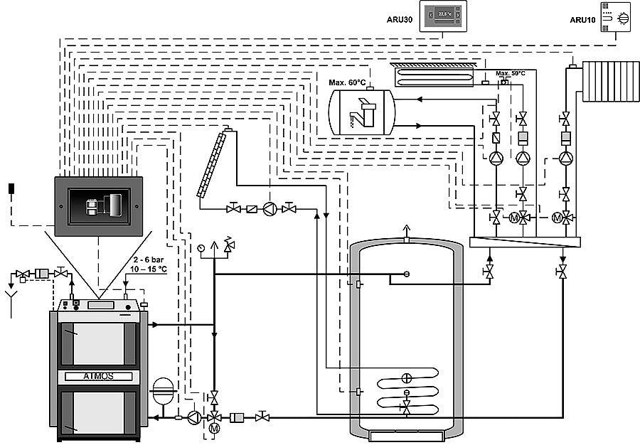
Схема подключения пиролизного котла ATMOS с автоматикой управления системой отопления ATMOS ACD 03:

Купить контроллер для управления системой отопления чешского производителя ATMOS у официального представителя завода в Республике Беларусь - ООО "Торговый Доми Атмос" в Минске по адресу: ул. Каменногорская, д. 47, офис 4.
производитель
ATMOS
Если вы хотите купить автоматический контроллер ATMOS ACD 03 , вы можете: