Бойлер косвенного нагрева TESY EV 10S 120 Верхние выводы теплообменника арт. 304969
Верхние выводы теплообменника
арт. 304969
Напольный водонагреватель косвенного нагрева TESY EV 10S 120 с высоким классом энергоэффективности В предназначен для подключения к газовому или электрическому котлу.
Преимущества косвенного водонагревателя TESY EV 10S 120:
- Компактные габаритные размеры - водонагреватель косвенного нагрева ТЕСИ ЕВ 10 подходит для монтажа под настенным газовым или электрическим котлом.
- Входы и выходы теплообменника и подключение расположены сверху для легкого гидравлического подключения к котлу.
- Для дополнительной защиты косвенного бойлера от известковых отложений в верхней части водонагревателя установлен магниевый анод. Благодаря защитным функциям магниевого анода срок эксплуатации бойлера увеличен на 50%.
- Предусмотрена возможность установки дополнительного электрического нагревательного элемента и термостата для управления ТЭНом (plug-and-play).
- Высокоэффективная изоляция толщиной 50 мм из пенополиуретана без содержания CFC максимально сохраняет тепло, поэтому тепловые потери при ΔT 45K составляют всего 1,0 кВт/24 часа.
- Внутреннее эмалевое покрытие косвенного водонагревателя Теси ЕВ 10 надежно защищает резервуар от появления точечной коррозии, что увеличивает срок эксплуатации бойлера.
- Встроенный термометр в верхней части водонагревателя.
- Мощный теплообменник с гладкой поверхностью площадью 1,0 м2 обеспечивает быстрый нагрев воды.
- Дренажное отверстие.
Технические характеристики косвенного водонагревателя TESY EV 10S 120:
| Объем | 114 литров |
| Вес нетто | 64 кг |
| Изоляция (жесткий ПУ) | 50 мм |
| Поверхность теплообменника | 1,0 м² |
| Объем теплообменника | 6,2 литров |
| Мощность теплообменника 60-80°C / 70-90°C | 22,4 кВт |
| Потери тепла ΔT 45K | 35 Ватт |
| Энергетический класс | B |
| Максимальная рабочая температура | 95 °C |
| Номинальное давление в резервуаре для воды | 8 bar |
| Номинальное давление теплообменника | 6 bar |
| Максимальное количество отработанной воды MIX 45°C (**15-60°C), Отключение питания (S1) | 176 литров |
| Диаметр | 600 мм |
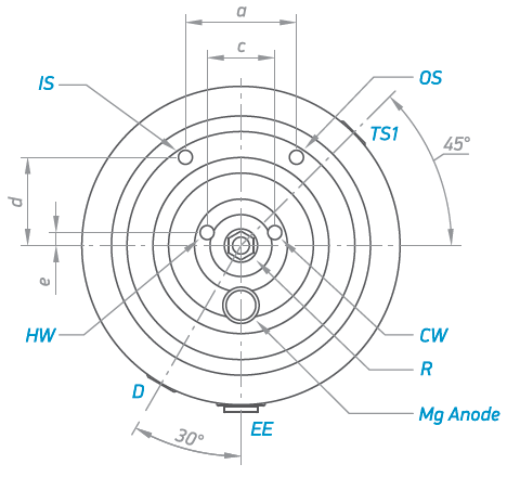
Габаритные размеры:
![]() | ||||||||||
| h мм | a мм | b мм | c мм | d мм | e мм | n мм | u мм | R мм | Ø C мм | Ø D мм |
| 1002 | 214 | 296 | 130 | 145 | 25 | 368 | 74 | 1146 | 550 | 450 |
Условные обозначения:
TS1 - термокарман G ½"
EE - отверстие для электрического элемента G 1½"
T - термометр -
CW - вход холодной воды G 1" B
IS - вход теплообменника G ¾" B
OS - выход теплообменника G ¾" B
HW - выход горячей воды G 1" B
D - дренаж G ¾" B
R - рециркуляция G 1"B
производитель
TESY
Назначение
для газового котла
Тип установки
напольные
Объем
120-200 литров
Теплообменник
Один
Если вы хотите купить бойлер косвенного нагрева TESY EV 10S 120 , вы можете:





