Пеллетный котел ATMOS D 20 PX
Мощность 20 кВт. КПД 95%. Отапливаемая площадь 180 м². Комплект поставки - котел, пеллетная горелка ATMOS A25, шнековый транспортер, бункер для пеллет V 175л.
Чешские пеллетные котлы ATMOS D 20 PX - компактные водогрейные котлы для комфортного отопления частных домов, коттеджей и других объектов пеллетами. Котлы поставляются в комплекте с автоматической пеллетной горелкой ATMOS A25, встроенным шнековым транспортером и бункером для пеллет объемом 175 л. Благодаря конструктивным особенностям пеллетных котлов ATMOS серии D__PX и максимально экономичному потреблению топлива, достаточно один раз в неделю засыпать пеллеты в бункер котла. Новая серия пеллетных котлов ATMOS D__PX – это сверхэкономичные автоматические пеллетные котлы класса А++ энергоэффективности.
Преимущества компактных пеллетных котлов ATMOS D 20 PX.
- Компактные размеры для небольших топочных.
- Пеллетная горелка со встроенным вентилятором. Функции горелки - автоматический розжиг, автоматическое гашение пламени, самодиагностика и функция самоочистки.
- Камера сгорания выложена армированной керамикой, защищающая теплообменник котла от прогорания и способствующая максимальной передаче тепла в систему отопления.
- Вытяжной вентилятор.
- Трубчатый теплообменник для оперативной очистки.
- Высокая эффективность. КПД 95 %.
- Максимальный комфорт отопления– полностью автоматическая работа котла, не требующая постоянного контроля.
- Надежность, безопасность и долговечность. Для автоматических котлов на пеллетах ATMOS серии D_PX нет необходимости ежегодного технического и сервисного облуживания, а также осуществлять ремонт основных узлов, например, пеллетной горелки или автоматики управления. Срок службы пеллетных котлов ATMOS не менее 20 лет.
- Небольшие размеры и легкий вес.
- Возможность установки пневматической подачи пеллет.
- Экологическое сжигание– котел согласно CSN EN 303-5, класс 5, EKODESIGN 2015/1189, белорусским требованиям ЭКОНИП.
Гарантия завода - производителя ATMOS 2 года, при обвязке твердотопливного котла ATMOS D 20 PX с аккумулирующей емкостью гарантия 3 года!
Конструкция пеллетного котла ATMOS D 20 PX
Автоматические котлы для пеллет ATMOS D 20 PX предназначены для электронно-управляемого сжигания пеллет с автоматической подачей топлива.
Теплообменник пеллетных котлов ATMOS представляет собой запатентованную сварную конструкцию из стальных листов европейского производства толщиной 5 мм. Для минимизации теплопотерь котла применяется минеральная и сибраловая изоляция.
Горелка для пеллет установлена в передней части котла в дверцах нижней камеры сгорания. Камера сгорания выложена армированной керамикой, которая способствует идеальному горению пламени с максимально высокой эффективностью. Отличительная особенность пеллетных котлов ATMOS серии D__PX – трубчатый теплообменник для удобной очистки.
В верхней части котла расположен топливный бункер, из которого пеллеты подаются в горелку с помощью шнекового транспортера. Дозирование топлива управляется в автоматическом режиме по заданным температурным параметрам. Функциональная панель управления позволяет контролировать работу пеллетного котла. Как и все газогенераторные котлы ATMOS пеллетные котлы D 20 PX оснащены вытяжным вентилятором. В отличие от нагнетательных вентиляторов, вытяжной вентилятор удаляет неприятные запахи от процесса горения пеллет и препятствует попаданию дыма в жилое помещение. Важная конструктивная особенность пеллетных котлов ATMOS серии D 20 PX – это отсутствие охлаждающего контура котла от перегрева. Благодаря функции порционной подачи небольшого количества пеллет в горелку, не происходит перегрев котла при отключении электроэнергии. Дозированной подачей топлива пеллетные котлы ATMOS D 20 PX отличаются значительно большей экономией расхода топлива и высоким КПД до 95%.
Котлы D 20 PX относятся к 5 наивысшему классу экологических норм выбросов, отвечают классу энергетической эффективности A+ и европейским требованиям Ekodesign.
Главная отличительная особенность котлов ATMOS – это собственные разработки и производство всех составляющих узлов (от ручки до автоматики управления) и испытания в собственных научных лабораториях готовых изделий перед массовым выпуском любого котла – пеллетного или газогенераторного. Поэтому ремонт котла, при необходимости, доступен каждому потребителю.

ТОПЛИВНЫЙ БУНКЕР
Пеллетный котел ATMOS серии D 20 PX имеет встроенный бункер для пеллет, который необходимо пополнять с интервалом 1-3 дня в зависимости от температурных параметров и мощности котла. Чтобы увеличить интервалы загрузки топливного бункера можно приобрести компактные надставки объемом 65 л (код S1233) высотой 200 мм или объемом 95л (код S1234) высотой 300 мм.
ПНЕВМАТИЧЕСКАЯ ОЧИСТКА ГОРЕЛКИ

- Это устройство для автоматической очистки сжатым воздухом чаши горелки от спекшейся золы, которая образовывается в процессе сгорания низкокачественных пеллет.
- В зависимости от выбранных настроек, автоматическая очистка происходит в течение заданного интервала времени или после догорания пеллет в горелке.
- Данная опция обеспечивает комфортную и бесперебойную работу пеллетного котла без участия человека, исключая аварийные остановки.
- Компрессор создает давление 5–8 бар (600–800 кПа).
- Полное очищение чаши горелки от золы происходит достаточно быстро и эффективно.
ТЕХНИЧЕСКАЯ ИНФОРМАЦИЯ
| Тип котла | D20PX | |
| Производительность котла | кВт | 6 - 20 |
| Площадь нагрева | м2 | 1,9 |
| Объем загрузочного бункера для пеллет | dm3 | 175 |
| Размер загрузочной камеры | мм | 542x480 |
| Предписываемая тяга дымохода | Па | 16 |
| Максимальное рабочее избыточное давление воды | кПу | 250 |
| Вес котла | кг | 345 |
| Диаметр вытяжной горловины | мм | 150/152 |
| Покрытие эл. части | IP | 20 |
| Электрическая потребляемая мощность - при запуске - при эксплуатации | 572/1092 92 | |
| КПД котла | % | 91,5 |
| Класс котла | 5 | |
| Класс энергетической эффективности | A+ | |
| Температура дымовых газов при номинальном мощности (гранулы) | °C | 142 |
| Весовой поток дымовых газов при номинальном мощности (гранулы) | кг/с | 0,015 |
| Предписанное топливо (предпочтительно) | пеллеты диаметром 6 - 8 мм, теплотворная способность 16 - 19 МДж.кг | |
| Средний расход топлива - гранул в номинальном производительности | 3,6 | |
| Объем воды в котле | l | 76 |
| Гидравлические потери котла | mbar | 0,20 |
| Минимальный объем буферного бака | l | 500 |
| Напряжение подключения | В/Гц | 230/50 |
| Минимальная температура возвратной воды | °C | 65 |
| Предписанная рабочая температура котла | °C | 80-90 |
| Размеры котла | ||
| Высота А | мм | 1411 |
| Ширина С | мм | 674 |
| Глубина котла В1 | мм | 1145 |
| Глубина котла с пеллетной горелкой В2 | мм | 1447 |

| 1. | Корпус котла | 16. | Главный выключатель (код: S0092) |
| 2. | Дверь для золоудаления (код: S0459) | 17. | Котловой термостат (код: S0021) |
| 3. | Горелка для пеллет ATMOS A25 (код: H0044) | 18. | Выключатель горелки (код: S0102) |
| 4. | Панель управления | 19. | Предохранительный термостат (код: S0068) |
| 5. | Шнек (винтовой) подачи пеллет | 20. | Предохранитель T6,3A/1500 - тип |
| 6. | Изоляция дверец - Sibral с отверстием для горелки (код: S0266) | 21. | Крышка для очистки теплообменника |
| 7. | Уплотнительный шнур 18 x 18 мм (код: S0240) | 22. | Вентилятор - вытяжной |
| 8. | Колечко (код: S1047) | 23. | Конденсатор для вытяжного вентилятора |
| 9. | Изоляция под горелку (код: S0164) | 24. | Крышка дымового канала |
| 10. | Топливный бункер 175 л | 25. | Крышка топливного бункера |
| 11. | Трубчатый теплообменник | 26. | Соединительная гофра горелки - длина 550 мм, Ø 65 мм |
| 12. | Очистка трубчатого теплообменника | К | Дымоход |
| 13. | Огнеупор камеры | L | Выход воды из котла |
| 14. | Огнеупор - диафрагма | М | Вход воды в котел |
| 15. | Термометр (код: S0041) | N | Сливной кран |
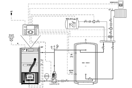
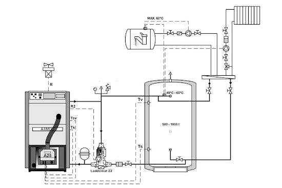
ВАРИАНТЫ МОНТАЖА ПЕЛЛЕТНОГО КОТЛА D20PX
Данные схемы являются примером грамотного монтажа для эффективного и экономичного отопления. По желанию заказчика для обвязки малого контура вместо Ладдомата можно использовать термостатический вентиль REGULUS, насос и обратный клапан без пружины. В случае необходимости возможно подсоединение котла к системе без аккумулирующих баков.
Для удобства обслуживания пеллетной горелки в качестве дополнительной опции завод-производитель предлагает оснастить котел ATMOS D20PX пневматической очисткой.
ПОЛЕЗНАЯ ИНФОРМАЦИЯ:
Каталог пеллетных котлов
Паспорт пеллетной горелки ATMOS A25
ФОТООБЗОР ПЕЛЛЕТНОГО КОТЛА ATMOS D20PX
ВИДЕООБЗОР ПЕЛЛЕТНОГО КОТЛА ATMOS D20PX.
МОНТАЖ ПЕЛЛЕТНОГО КОТЛА ATMOS D 20 PX.
Чтобы купить пеллетный котел ATMOS D 20 PX с доставкой и монтажом, необходимо оставить заявку на нашем сайте или приехать в наш салон отопительного оборудования, или позвонить по телефонам. Пеллетный котел ATMOS D 20 PX - это надежный, экономичный, эффективный и, самое главное, умный котел! Позвоните нам для получения профессиональной консультации.
Торговый дом "АТМОС" - официальный дилер чешского производителя ATMOS. Мы предлагаем выгодные условия покупки, монтажа и сервисного обслуживания котлов ATMOS.
Позвоните нам +375 29 374 13 45 или оставьте запрос, чтобы купить пеллетный котел ATMOS D20PX со скидкой и получить дополнительные бонусы.
производитель
ATMOS
Топливо
Пеллеты
Мощность
20 кВт
Комплект поставки
Пеллетная горелка, Бункер для пеллет, Шнековый транспортер
Отапливаемая площадь
180 м²







