HANSA HW 3000 IG-UM гидравлическая стрелка до 70кВт при ΔT 20K
до 70кВт при ΔT 20K
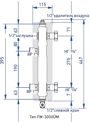
Гидрострелка HANSA HW 3000 IG-UM из нержавеющей стали со съёмной теплоизоляцией используется для гидравлического разделения контура генератора тепла и разветвлённой системы отопления с несколькими циркуляционными насосами.Производительность до 3 м3/ч.
Выходы с внутренней резьбой 1" или 11⁄4" с накидной гайкой (НГ).
Описание:
Выполнена из нержавеющей стали 1.4301. Стрелка имеет наружный диаметр DN50 (54 х 1,5 мм) и 4 соединительных патрубка с уплотнительным кольцом для подающей и обратной линии первичного и вторичного контура.
В комплекте:
- Муфта для погружной гильзы 1⁄2" (заглушена);
- Ручной воздухоудалитель (маевского) 1⁄2"
- Спускной клапан 1⁄2" (SFE).
- EPS-изоляция в соответствии с „Положением об энергосбережении при строительстве и эксплуатации зданий".
| Тип | HW-3000 IG-UM | ![]() | ||
| Пропускная способность кг/ч | 1000 | 1500 | 22550 | |
| Производительность при ΔТ= 20 K в кВт | 23 | 35 | 53 | |
| Потеря давления (первичн.) в мбар | 3 | 7 | 15 | |
| Скорость потока в гребенке м/сек. | 0,14 | 0,21 | 0,31 | |
| Выход | 1" ВР + 1 ¼" ВР-НГ | |||
Технический каталог HANSA. Цены указаны в евро без НДС
производитель
HANSA
Если вы хотите купить HANSA HW 3000 IG-UM гидравлическая стрелка , вы можете:



