Компактный пеллетный котел ATMOS D 10 PX
Мощность 10 кВт. КПД 95%. Отапливаемая площадь 100 м². Комплект поставки - котел, пеллетная горелка ATMOS A25, шнековый транспортер, бункер для пеллет V 175л.
Автоматические пеллетные котлы ATMOS серии D 10 PX - это уникальная разработка сверхэкономичных и энергоэффективных котлов нового поколения для биотоплива, достигающие максимально возможного для твердотопливных котлов КПД 95%.
| ПЕЛЛЕТНЫЙ КОТЕЛ
КПД 95% Отапливаемая площадь 100 м² Объем бункера: 175 л Производитель: ATMOS (Чехия) | | |
Котлы сконструированы для электронно-управляемого сжигания пеллет с автоматическим розжигом топлива. Горелка для пеллет встроена в передней части котла в дверцах нижней камеры сгорания. Камера выложена жаростойкой керамикой для идеального горения пламени с высокой эффективностью, а также служит в качестве золосборника. В задней части котла размещен теплообменник с сегментными замедлителями с функцией грубой (экплуатационной) чистки без необходимости их извлечения.
Корпус котлов изготовлен в виде сварной конструкции из листовой стали толщиной 5 мм. Снаружи котла выполнена теплоизоляция из минерального войлока и изоляция из сибрала, вставленная под металлическое покрытие наружной обшивки котла.
В верхней части котла находится бункер, из которого с помощью шнекового транспортера подаются пеллеты в горелку. Дозирование топлива полностью автоматическое. В передней части котла находится панель управления с главным выключателем, выключателем горелки (L2), рабочим (котловым регулирующим) термостатом, защитным термостатом, термометром и предохранителем 6,3 A.
| Гарантия завода-производителя ATMOS 2 года, при обвязке твердотопливного котла ATMOS D 10 PX с аккумулирующей емкостью — гарантия 3 года! |
Гарантия завода - производителя ATMOS 2 года, при обвязке твердотопливного котла ATMOS D 10 PX с аккумулирующей емкостью гарантия 3 года!
Котел D 10 PX оснащен вытяжным вентилятором.
Котел не имеет охлаждающий контур для защиты от перегрева, так как благодаря небольшому количеству топлива в горелке перегрев котла при сбое питания не угрожает.

Преимущество нового пеллетного котла ATMOS D 10 PX

- Уникальные габариты:
Вес котла со встроенным бункером для пеллет всего 287 кг. Высота котла 1221 мм позволяет без особых усилий
загружать пеллеты. Компактные размеры котла глубина с горелкой 1150 мм и ширина 594 мм позволяет установить пеллетный котел ATMOS D 10 PX даже в небольших котельных.
- Легкая очистка:
Уникальная конструкция теплообменника позволяет легко очищать котел от сажи и золы через переднюю дверцу котла.
- Высокая эффективность:
Новая серия пеллетных котлов ATMOS PX оснащена полной теплоизоляционной прослойкой минеральной ваты для обеспечения высокой степени эффективности (95%). Благодаря высокой эффективности значительно снижен расход топлива, позволяющий сократить расходы на отопление до 40% за отопительный сезон.
- Возможность дооснащения:
Новые аксессуары от ATMOS - насадка для встроенного бункера размером 680 х 515 мм в разных исполнениях высоты 200 и 300 мм позволяет увеличить объем бункера для пеллет, тем самым увеличить время работы пеллетного котла без дозагрузки пеллетами.
Конструктивные особенности новой серии ATMOS PX:
- Компактная конструкция котла шириной всего 59 см
- Котел изготовлен из высококачественной 6 мм европейской стали
- Расширенный опционный функционал: погодозависимое управление для 1 или 2 отопительных контуров, контура ГВС и солнечной энергии
- Улучшенные показатели значения выбросов. Класс энергоэффективности А+
- Срок гарантии на корпус котла увеличен до 5 лет.
ПЕЛЛЕТНАЯ ГОРЕЛКА ATMOS A 25.
Пеллетные котлы ATMOS D 10 PX оснащены запатентованными автоматическими пеллетными горелками ATMOS А25 нового поколения собственного производства, изготовленные из нержавеющей стали 6 мм.
Пеллетная горелка ATMOS A 25 - это суперсовременное надежное и полностью автоматическое оборудование со
множеством эксклюзивных конструктивных и технических решений. Уникальная технология производства и тщательно продуманных деталей – от угла наклона чаши горелки и диаметра отверстий для подачи воздуха до тонких заводских настроек встроенного интеллектуального модуля управления – способствует снижению выбросов СО2 и расхода топлива до 40 % за отопительный сезон.
ФУНКЦИИ ПЕЛЛЕТНОЙ ГОРЕЛКИ ATMOS A 25.
- самодиагностика с уведомлением об ошибках на дисплее горелке, текущем состоянии горелки;
- автоматический розжиг;
- дозированная подача топлива;
- автоматическая очистка чаши горелки;
- автоматическое тестирование работы вентилятора горелки, транспортера, спиралей розжига, фотокамеры;
- автоматическое гашение пламени, защита от обратного возгорания пеллет;
- модуль электронного регулирования отслеживает обороты вентилятора горелки, при каких-либо нештатных ситуациях прекращает работу горелки;
- контроль оборотов вентилятора горелки для обеспечения сбалансированной топливовоздушной смеси в камере сгорания;
- автоматика горелки осуществляет полный контроль за работой системой отопления;
- остановка котла в случае возникновения аварийной ситуации и многое другое.
АЛГОРИТМ РАБОТЫ ПЕЛЛЕТНОЙ ГОРЕЛКИ ATMOS A25.
- При запуске включается шнековый транспортер и спираль розжига
- Шнековый транспортер работает, подавая в горелку необходимую для розжига порцию пеллет. После подачи пеллет автоматически выключится.
- Происходит включение вентилятора горелки, который будет работать на оборотах розжига, а также включится вытяжной вентилятор котла.
- После розжига пеллет фотокамера зафиксирует пламя и выключит спираль розжига.
- Горелка переключится на фазу полного разгорания топлива, плавно увеличивая мощность.
- После достижения номинальной мощности горелка будет работать до тех пор, пока не прогреется система отопления или буферная емкость.
- После достижения заданной температуры в системе отопления или баке-аккумуляторе горелка выключит шнековый транспортер. В результате произойдет догорание пеллет и горелка прекратит работу. При снижении заданной температуры алгоритм работы пеллетной горелки снова повторится.
- Если произойдет прекращение снабжения горелки электроэнергией, горелка автоматически возобновит работу, предварительно продиагностировав состояние основных элементов горелки.
ТОПЛИВНЫЙ БУНКЕР
В новом компактном пеллетном котле ATMOS серии D 10 PX установлен встроенный бункер для пеллет, заполнять который необходимо один раз в 3-5 дней. Интервал заполнения пеллетного бункера зависит от внешней температуры и мощности котла. Существует возможность модифицировать котел для того, чтобы интервалы загрузки можно было увеличить. Для этого необходимо установить надставки на бункер объемом 65 литров, высотой 200мм или надставку объемом 95 литров и высотой 300мм.
![]() |
| |
ТЕХНИЧЕСКАЯ ХАРАКТЕРИСТИКА
| Тип котла | D10PX | |
| Производительность котла | квт | 3 - 10 |
| Площадь теплообменника | м2 | 2,3 |
| Объем загрузочного бункера для пеллет | dm3 | 215 |
| Размер загрузочной камеры | мм | 542x480 |
| Предписываемая тяга дымохода | Па | 16 |
| Максимальное рабочее избыточное давление воды | кпу | 250 |
| Вес котла | кг | 287 |
| Диаметр вытяжной горловины | мм | 150/152 |
| Покрытие эл. части | IP | 20 |
| Электрическая потребляемая мощность - при запуске - при эксплуатации | 572/1092 92 | |
| КПД котла | % | 94 |
| Класс котла | 5 | |
| Класс энергетической эффективности | A+ | |
| Температура дымовых газов при номинальном мощности (гранулы) | °C | 142 |
| Весовой поток дымовых газов при номинальном мощности (гранулы) | кг/с | 0,015 |
| Предписанное топливо (предпочтительно) | пеллеты диаметром 6 - 8 мм, теплотворная способность 16 - 19 МДж.кг | |
| Средний расход топлива - гранул в номинальном производительности | 4,0 | |
| Объем воды в котле | l | 76 |
| Гидравлические потери котла | mbar | 0,20 |
| Минимальный объем буферного бака | l | 500 |
| Напряжение подключения | В/Гц | 230/50 |
| Минимальная температура возвратной воды | °C | 65 |
| Предписанная рабочая температура котла | °C | 80-90 |
| Размеры котла | ||
| Высота А | мм | 1221 |
| Ширина С | мм | 594 |
| Глубина котла В1 | мм | 995 |
| Глубина котла с пеллетной горелкой В2 | мм | 1150 |

| 1. | Корпус котла | 16. | Главный выключатель (код: S0092) |
| 2. | Дверь для золоудаления (код: S0459) | 17. | Котловой термостат (код: S0021) |
| 3. | Горелка для пеллет ATMOS A25 (код: H0044) | 18. | Выключатель горелки (код: S0102) |
| 4. | Панель управления | 19. | Предохранительный термостат (код: S0068) |
| 5. | Шнек (винтовой) подачи пеллет | 20. | Предохранитель T6,3A/1500 - тип |
| 6. | Изоляция дверец - Sibral с отверстием для горелки (код: S0266) | 21. | Крышка для очистки теплообменника |
| 7. | Уплотнительный шнур 18 x 18 мм (код: S0240) | 22. | Вентилятор - вытяжной |
| 8. | Колечко (код: S1047) | 23. | Конденсатор для вытяжного вентилятора |
| 9. | Изоляция под горелку (код: S0164) | 24. | Крышка дымового канала |
| 10. | Топливный бункер 175 л | 25. | Крышка топливного бункера |
| 11. | Трубчатый теплообменник | 26. | Соединительная гофра горелки - длина 550 мм, Ø 65 мм |
| 12. | Очистка трубчатого теплообменника | К | Дымоход |
| 13. | Огнеупор камеры | L | Выход воды из котла |
| 14. | Огнеупор - диафрагма | М | Вход воды в котел |
| 15. | Термометр (код: S0041) | N | Сливной кран |
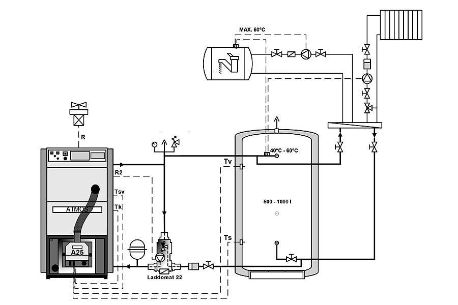
ВАРИАНТЫ МОНТАЖА ПЕЛЛЕТНОГО КОТЛА ATMOS D 10 PX
![]() | |
Данные схемы являются примером грамотного монтажа для эффективного и экономичного отопления. По желанию заказчика для обвязки малого контура вместо насосного узла малого контура LADDOMAT можно использовать термостатический вентиль REGULUS, насос и обратный клапан без пружины. В случае необходимости возможно установка пеллетного котла без буферного бака.
Для удобства обслуживания пеллетной горелки в качестве дополнительной опции завод-производитель предлагает оснастить котел ATMOS D 10 PX пневматической очисткой.
ПОЛЕЗНАЯ ИНФОРМАЦИЯ:Каталог пеллетных котлов
Паспорт пеллетной горелки ATMOS A25
ФОТООБЗОР ПЕЛЛЕТНОГО КОТЛА ATMOS серии D_PX
ВИДЕООБЗОР ПЕЛЛЕТНОГО КОТЛА ATMOS серии D_PX.
Купить пеллетный автоматический котел ATMOS D 10 PX с доставкой и монтажом или оформить беспроцентную рассрочку можно оставив заявку или приехать в наш салон отопительного оборудования, или позвонить по телефону +375 29 374 13 45 . Пеллетный котел ATMOS D 10 PX - это надежный, экономичный, эффективный и, самое главное, умный котел!
Торговый дом "АТМОС" - официальный дилер чешского производителя ATMOS. Мы предлагаем выгодные условия покупки, монтажа и сервисного обслуживания пеллетных котлов ATMOS.
Позвоните нам +375 29 374 13 45 или оставьте запрос, чтобы купить пеллетный котел ATMOS D 10 PX со скидкой и получить дополнительные бонусы.
производитель
ATMOS
Топливо
Пеллеты
Мощность
10 кВт
Комплект поставки
Пеллетная горелка, Бункер для пеллет, Шнековый транспортер
Отапливаемая площадь
100 м²














