Пиролизный котел ATMOS DC18S. Вид топлива - дрова
Мощность 20 кВт. Площадь обогрева до 180м². Вид топлива - древесина. КПД 90%. Длина дров 30см.
Пиролизный котел чешского производства ATMOS DC 18 S - твердотопливный котел длительного горения с вытяжным вентилятором.
Объем загрузочной камеры у пиролизного котла ATMOS DC18S относительно небольшой - 65 дм3, но благодаря пиролизу (процессу газогенерации) длительность горения одной закладки дров достигает 8 -12 часов. И значительно больше, процентов 30-40, можно сэкономить на топливе за отопительный сезон.Основной вид топлива - дрова длиной 330 мм. Для газогенераторного (пиролизного) котла лучше использовать крупную древесину диаметром 80-150 мм. Как и для всех твердотопливных котлов в пиролизном котле Атмос рекомендуется использовать древесину влажностью 20%. Если сжигается древесина большей влажности, КПД твердотопливного котла ATMOS снижается и увеличивается расход топлива. Это характерно и для котлов на твердом топливе прямого горения. Например, древесина с 20% влажностью имеет тепловую ценность 4 кВт/час на 1 кг древесины. А древесина с 60% влажностью - 1,5 кВт/час на 1 кг древесины.
Гарантия завода - производителя ATMOS 2 года, при обвязке твердотопливного котла ATMOS DC 18 S с аккумулирующей емкостью гарантия 3 года!
Пиролиз (процесс газогенерации) - процесс термического разложения твердого топлива, происходящий без доступа кислорода. Если сказать простыми словами, происходит разложение древесины на углеродистый остаток и пиролизный газ. Пиролиз - это высокотемпературный процесс, при котором образуется максимальное количество газа, являющимся источником тепла в газогенераторных твердотопливных котлах, и минимальное образование отходов. Количество выбросов (СО), попадающих в атмосферу, составляет 700-1200. В то время как у твердотопливных котлов прямого горения этот показатель значительно выше - 12 000. Поэтому, когда топится газогенераторный котел, дым из трубы практически не виден. Благодаря минимальному образованию золы в виде пепельной пыли нет необходимости ежедневно чистить котел. Достаточно, примерно, 1-2 раза в месяц. Такой способ сжигания древесины является наиболее безопасным, экономичным, эффективным и экологически чистым. В газогенераторных твердотопливных котлах ATMOS КПД достигает высокого показателя - 90%.
КОНСТРУКТИВНЫЕ ОСОБЕННОСТИ ГАЗОГЕНЕРАТОРНОГО КОТЛА ATMOS DC 18 S
Так как пиролиз (газогенерация) является высокотемпературным процессом, котлы ATMOS производят по запатентованной технологии и применяют высококачественные материалы. 
- Пиролизный котел ATMOS представляет собой двухкамерную конструкцию. Верхняя камера - топливный бункер, нижняя - камера дожига, где происходит сжигание пиролизного газа при температуре 1500С0. Поэтому для максимального поглощения тепла и защиты от прогорания нижняя камера выложена специальным формовым огнеупором (армированной керамикой). Между камерами находится керамическая форсунка (сопло) для газификации древесины, которая способствует полному сгоранию топлива. На керамической форсунке, благодаря ограниченной подаче воздуха, подожженные дрова не горят в полную силу, а только тлеют. Над раскаленными древесными углями образуется высокотемпературный слой, который обеспечивает предварительное подсушивание топлива и одновременно подогревает поступающий в зону горения воздух.
- Теплообменник газогенераторного твердотопливного котла DC18S изготовлен из специальной котловой легированной стали толщиной 6 мм. Конструкция теплообменника проходит испытание давлением 10 бар. Поэтому пиролизные котлы ATMOS являются надежными и безопасными.
- Важная особенность котлов длительного горения ATMOS – вытяжной вентилятор. Вытяжной вентилятор ограничивает задымление при дополнении топлива, удаляет неприятные запахи и способствует более быстрому прогреванию дымохода. Чем быстрее прогреется дымоход, тем меньше образуется конденсата, а значит, увеличивается срок службы котла и дымохода. Газогенераторные котлы ATMOS могут работать и без вентилятора с понижением мощности до 70%.
- Отличие газогенераторных (пиролизных) котлов ATMOS заключается ещё и в том, что в процесс горения вовлечено не все топливо, а лишь необходимое количество. Поэтому у котлов ATMOS не происходит колебания мощности, а заданный режим стабилен во время всего процесса сгорания топлива, сколько бы его не осталось в топке.
- Еще одна не менее важная особенность - в газогенераторный котел ATMOS DC 18 S независимо от времени приобретения можно установить пеллетную горелку ATMOS A25.
ПАНЕЛЬ УПРАВЛЕНИЯ КОТЛА
Электромеханическая регулировка в стандартном исполнении котла - грамотное решение для управления работой котла (вентилятора) простым и надежным способом. Вентилятор автоматически включается / выключается при изменении температуры теплоносителя в системе отопления.
Состав панели:
- Главный выключатель - выключает котел в случае необходимости
- Предохранительный термостат - защитный термостат от перегрева котла
- Термометр - указывает температуру воды на выходе из котла
- Регулировочный термостат (котловой) - управляет работой вентилятора по температуре воды на выходе из котла
- Термостат топочных газов - отключает вентилятор котла после догорания топлива.
Каждый пиролизный котел ATMOS можно оснастить электронной автоматикой управления ATMOS ACD 01, которая поддерживает заданную температуру в различных контурах всей системы отопления в зависимости от наружной и комнатной температуры, и времени суток. Управляет котлом через интернет или мобильную связь.

ТЕХНИЧЕСКАЯ ИНФОРМАЦИЯ

| 1. | Корпус котла | 17. | Тяга растопочной заслонки |
| 2. | Дверцы загрузочной камеры | 18. | Термометр |
| 3. | Дверца нижней камеры | 19. | Заслонка топки |
| 4. | Вытяжной вентилятор | 20. | Выключатель с контрольной лампочкой |
| 5. | Керамическая форсунка (сопло) | 22. | Регулятор тяги «Honeywell FR 124» |
| 6. | Панель управления | 23. | Охлаждающий контур от перегрева |
| 7. | Предохранительный термостат | 24. | Регулировочный термостат вентилятора |
| 8. | Воздушная заслонка | 25. | Наполнитель дверок – материал Сибрал |
| 10. | Формовой огнеупор нижней камеры | 26. | Уплотнение дверок – шнур 18х18 |
| 11. | Технический шнур керамической форсунки | 28. | Термостат для насоса |
| 13. | Растопочный клапан | 29. | Конденсатор вентилятора |
| 15. | Крышка для очистки | 35. | Термостат топочных газов |
| 16. | Заслонка | 36. | Предохранительный термостат |
| Высота (А) 1180мм,ширина (С) 590мм, глубина (В) 770м, диаметр дымохода (Е) 150/152мм. | |||
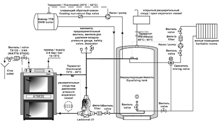
УСТАНОВКА И ПОДКЛЮЧЕНИЕ
Данные схема являются примером грамотного монтажа для эффективного и экономичного отопления.
Производителем разработано больше схем монтажа газогенераторных котлов ATMOS с применением различного оборудования для комфорта и энергоэффективности. По желанию заказчика для обвязки малого контура вместо Ладдомата можно использовать термостатический вентиль REGULUS, насос и обратный клапан без пружины или аналог Ладдомата насосный узел THERMOMAT. Монтаж котла с аккумулирующим баком снижает потребление топлива на 20-30%, а длительность между растопками котла может достигать от 1 до 3 дней в зависимости от объема аккумулирующей емкости. Монтаж котла возможен без теплоаккумуляторов, особенно комбинированных котлов с горелкой для топливных масел.
ПОЛЕЗНАЯ ИНФОРМАЦИЯ:Каталог газогенераторных котлов
Руководство/паспорт по эксплуатации
ОБЗОР пиролизных газогенераторных котлов ATMOS серии DC_S.
Отзывы о пиролизных газогенераторных котлах ATMOS.
Газогенераторный твердотопливный котел ATMOS DC18S - грамотное решение для комфорта и экономии!
Купить твердотопливный пиролизный котел ATMOS DC18S по хорошей цене можно в нашем салоне отопительного оборудования в г. Минске, ул. Каменногорская,47, офис 4. Предлагаем выгодные условия рассрочки от 4 до 12 месяцев, осуществляем доставку, монтаж котла и системы отопления.
ООО "Торговый дом "АТМОС" - официальный представитель твердотопливных котлов ATMOS в Беларуси.
Позвоните нам +375 29 374 13 45 или оставьте запрос, чтобы купить пиролизный котел ATMOS DC18S со скидкой и получить дополнительные бонусы.
производитель
ATMOS
Мощность
20 кВт
Топливо
Древесина
Отапливаемая площадь
180 м²







