Пиролизный котел ATMOS DC22S. Вид топлива - дрова
Мощность 22 кВт. Площадь обогрева до 200 м². Вид топлива - древесина. КПД 90%. Длина дров 50 см.
Пиролизный котел чешского производителя ATMOS серии DC22S - твердотопливный дровяной котел длительного горения с вытяжным вентилятором.
В качестве топлива лучше использовать колотые дрова длиной 530мм диаметром 80-150мм различных пород - ель, сосна, береза, дуб, бук. Кстати, у ели тепловая емкость на 1кг составляет 3900 кКал, а у дуба - 3600 кКал. Как и для любого твердотопливного котла в пиролизных котлах Атмос рекомендуется сжигать древесину влажностью 20%. Если используется древесина большей влажности, снижается КПД котла и увеличивается расход топлива. Это характерно также и для котлов прямого горения. Например, древесина с 20% влажностью имеет тепловую ценность 4кВт/час на 1 кг древесины. А древесина с 60% влажностью - 1,5кВт/час на 1 кг древесины. Объем загрузочной камеры относительно небольшой - 100дм3, но благодаря пиролизу (процессу газогенерации) длительность горения одной закладки дров достигает 8-12 часов. Газогенераторные котлы ATMOS на 30-40% меньше потребляют дров за отопительный сезон относительно котлов прямого горения.
Гарантия завода - производителя ATMOS 2 года, при обвязке твердотопливного котла ATMOS DC 22 S с аккумулирующей емкостью гарантия 3 года!
Пиролиз (процесс газогенерации) - процесс термического разложения твердого топлива, происходящий без доступа кислорода. Если сказать простыми словами, происходит разложение древесины на углеродистый остаток и пиролизный газ. Пиролиз - это высокотемпературный процесс, при котором образуется максимальное количество газа, являющимся источником тепла в газогенераторных котлах, и минимальное образование отходов. Количество выбросов (СО), попадающих в атмосферу, составляет 700-1200. В то время как у твердотопливных котлов прямого горения этот показатель значительно выше - 12 000. Поэтому, когда топится газогенераторный котел, дым из трубы практически не виден. Благодаря минимальному образованию золы в виде пепельной пыли нет необходимости ежедневно чистить котел. Достаточно, примерно, 1-2 раза в месяц. Такой способ сжигания древесины является наиболее безопасным, экономичным, эффективным и экологически чистым. Только в газогенераторных твердотопливных котлах КПД достигает высокого показателя - 90%.
КОНСТРУКТИВНЫЕ ОСОБЕННОСТИ ПИРОЛИЗНОГО КОТЛА ATMOS DC 22 S
Так как пиролиз (газогенерация) является высокотемпературным процессом, твердотопливные котлы ATMOS производят по запатентованной технологии и применяют высокотехнологичные материалы. - Пиролизный котел ATMOS представляет собой двухкамерную конструкцию. Верхняя камера - для загрузки дров, нижняя - камера дожига, где происходит сжигание пиролизного газа при температуре 1500С0. Для максимального поглощения тепла и защиты от прогорания нижняя камера выложена специальным формовым огнеупором (армированной керамикой). Между камерами находится керамическая форсунка (сопло) для газификации древесины, которая способствует полному сгоранию топлива. На керамической форсунке, благодаря ограниченной подаче воздуха, подожженные дрова не горят в полную силу, а только тлеют. Над раскаленными углями образуется высокотемпературный слой, который обеспечивает предварительное подсушивание топлива и одновременно подогревает поступающий в зону горения воздух.
- Теплообменник газогенераторного котла DC22S изготовлен из специальной котловой легированной стали толщиной 6 мм. Конструкция теплообменника проходит испытание давлением 10бар. Поэтому газогенераторные котлы ATMOS являются надежными и безопасными.
- Важная особенность газогенераторных котлов длительного горения ATMOS – вытяжной вентилятор. Вытяжной вентилятор удаляет кислород из загрузочной камеры, т.к. процесс пиролиза происходит при полном отсутствии кислорода, ограничивает задымление при дополнении топлива, удаляет неприятные запахи и способствует более быстрому прогреванию дымохода. Чем быстрее прогреется дымоход, тем меньше образуется конденсата, а значит, увеличивается срок службы котла и дымохода. Газогенераторные котлы ATMOS могут работать и без вентилятора с понижением мощности до 70%.
- Отличие пиролизных котлов отопления заключается ещё и в том, что в процесс горения вовлечено не все топливо, а лишь необходимое количество. Поэтому у котлов на твёрдом топливе ATMOS не происходит колебания мощности, а заданный режим стабилен во время всего процесса сгорания топлива, сколько бы его не осталось в топке.
- Все котлы оснащены охлаждающим контуром от перегрева для безопасной работы котла.
- Еще одна не менее важная особенность - в пиролизный котел DC22S независимо от времени приобретения можно установить пеллетную горелку ATMOS A25.
ПАНЕЛЬ УПРАВЛЕНИЯ
Электромеханическая регулировка в стандартном исполнении котла - грамотное решение для управления работой котла (вентилятора) простым и надежным способом. Вентилятор работает в автоматическом режиме для поддержания температуры теплоносителя в системе отопления. После того как догорят дрова, вентилятор отключается. 
- Главный выключатель - выключает котел в случае необходимости
- Предохранительный термостат - защитный термостат от перегрева котла
- Термометр - указывает температуру воды на выходе из котла
- Регулировочный термостат (котловой) - управляет работой вентилятора по температуре воды на выходе из котла
- Термостат топочных газов - отключает вентилятор котла после догорания топлива.
Каждый пиролизный котел ATMOS можно оснастить электронной автоматикой управления ATMOS ACD 01, которая поддерживает заданную температуру в различных контурах всей системы отопления в зависимости от наружной и комнатной температуры и времени суток. Управляет котлом через интернет или мобильную связь.
ТЕХНИЧЕСКАЯ ИНФОРМАЦИЯ

| 1. | Корпус котла | 17. | Тяга растопочной заслонки |
| 2. | Дверцы загрузочной камеры | 18. | Термометр |
| 3. | Дверца нижней камеры | 19. | Заслонка топки |
| 4. | Вытяжной вентилятор | 20. | Выключатель с контрольной лампочкой |
| 5. | Керамическая форсунка (сопло) | 22. | Регулятор тяги «Honeywell FR 124» |
| 6. | Панель управления | 23. | Охлаждающий контур от перегрева |
| 7. | Предохранительный термостат | 24. | Регулировочный термостат вентилятора |
| 8. | Воздушная заслонка | 25. | Наполнитель дверок – материал Сибрал |
| 10. | Формовой огнеупор нижней камеры | 26. | Уплотнение дверок – шнур 18х18 |
| 11. | Технический шнур керамической форсунки | 28. | Термостат для насоса |
| 13. | Растопочный клапан | 29. | Конденсатор вентилятора |
| 15. | Крышка для очистки | 35. | Термостат топочных газов |
| 16. | Заслонка | 36. | Предохранительный термостат |
| Высота (А) 1180 мм,ширина (С) 590 мм, глубина (В) 970 м, диаметр дымохода (Е) 150/152 мм. | |||
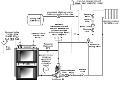
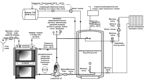
УСТАНОВКА И МОНТАЖ ПИРОЛИЗНОГО КОТЛА ATMOS DC 22 S
Данные схемы являются примером грамотного монтажа для эффективного и экономичного отопления. Пиролизный котел ATMOS с аккумулирующим баком и Ладдоматом обеспечивает 20-30% экономии топлива, долгий срок службы котла и дымовой трубы, более комфортное обслуживание.
Производителем разработано больше схем монтажа пиролизных котлов ATMOS с применением различного оборудования для комфорта и энергоэффективности. По желанию заказчика для обвязки малого контура вместо Ладдомата можно использовать термостатический вентиль REGULUS, насос и обратный клапан без пружины или аналог Ладдомата насосный узел THERMOMAT. Монтаж котла ATMOS с аккумулирующим баком снижает потребление топлива на 20-30%, а длительность между растопками котла может достигать от 1 до 3 дней в зависимости от объема аккумулирующей емкости. Монтаж котла возможен без аккумулирующих баков. Это наиболее характерно для комбинированных котлов ATMOS с горелкой для топливных масел.
ПОЛЕЗНАЯ ИНФОРМАЦИЯКаталог пиролизных котлов ATMOS
Руководство/паспорт по эксплуатации
ФОТООБЗОР пиролизного дровяного котла ATMOS DC_S.
Видеоотзыв о пиролизном котле ATMOS DC22S.
Газогенераторные котлы ATMOS - умный выбор!
Купить пиролизный твердотопливный котел длительного горения ATMOS DC 22 S можно в Минске, ул. Каменногорская,47, офис 4. Приезжайте в наш салон отопительного оборудования, где Вы сможете проконсультироваться по вопросам рассрочки, оформить рассрочку от 4 до 12 месяцев, заказать доставку, монтаж котла и системы отопления.
Позвоните нам +375 29 374 13 45 или оставьте запрос, чтобы купить пиролизный котел ATMOS DC22S со скидкой и получить дополнительные бонусы.
ООО "Торговый дом "Атмос" - официальный дилер чешского производителя пиролизных котлов ATMOS в Республике Беларусь.
производитель
ATMOS
Мощность
22 кВт
Топливо
Древесина
Отапливаемая площадь
200 м²







