Комбинированный пиролизный котел ATMOS C 25 ST с пеллетной горелкой ATMOS A25
Комбинированный пиролизный котел чешского производителя ATMOS C 25 ST мощность 25 кВт отличается многофункциональностью и универсальностью. Это многотопливный котел для всех видов твердого топлива, в котором можно сжигать дрова, торфобрикет (бурый уголь) и пеллеты. Независимо от вида топлива эффективность отопительных котлов длительного горения ATMOS C 25 ST остается самой высокой, благодаря процессу пиролиза, и составляет 90-92%. Конструктивные особенности и новые технические решения пиролизного котла ATMOS C 25 ST позволяют использовать пеллетную горелку мощностью 25 кВт. В результате, мы получаем котел, эффективно работающий на всех видах твердого топлива - дровах, торфобрикете (буром угле), пеллетах. Важная особенность - котел можно купить без пеллетной горелки, имея возможность в любой период времени докупить необходимое оборудование для автоматической подачи топлива.
В комплект поставки входит:
- котел ATMOS C 25 ST
- пеллетная горелка А25,
- шнековый транспортер,
- бункер для пеллет 250 литров (возможно на 500 л, 1000 л)
- автоматика управления.
КОНСТРУКТИВНЫЕ ОСОБЕННОСТИГарантия завода - производителя ATMOS 2 года, при обвязке твердотопливного котла ATMOS C 25 ST с аккумулирующей емкостью гарантия 3 года!
![]() | ![]() |
| 1 - пеллетная горелка | 9 - винт крепления сибрала |
| 2 - пластмассовая ручка | 10 - сибрал |
| 3 - концевой выключатель | 11 - винты для крепления горелки |
| 4 - уплотнительный шнур | 12 - стопорный винт |
| 5 - крышка дверцы | 13 - гайки |
| 6 - изоляция | 16 - крышка |
| 7 - дверца с отверстием под горелку | 17 - сибрал |
| 8 - крепеж дверцы | 27 - крышка заглушки |
Теплообменник пиролизного котла на твердом топливе ATMOS C 25 ST представляет собой сварную конструкцию из европейской котловой стали толщиной 6 мм.
Газогенераторные твердотопливные котлы длительного горения ATMOS с возможностью использования пеллетной горелки являются конкурентной альтернативой для пеллетных котлов. В любой момент можно сделать выбор в пользу дров или пеллет. В верхней загрузочной камере установлена специальная дверца с отверстием для установки горелки для пеллет. Нижняя камера, в которой происходит процесс пиролиза, выложена специальным керамическим огнеупором для идеального прогорания всех сжигаемых веществ с высокой эффективностью.Позвоните нам +375 29 374 13 45 или оставьте запрос, чтобы купить пиролизный котел ATMOS C 25 ST со скидкой и получить дополнительные бонусы.
Преимущества установки горелки в газогенераторном/пиролизном котле:
- простое решение по приемлемой цене;
- высокий КПД 90-92%;
- многофункциональная горелка с автоматическим розжигом пеллет, автоматическим гашением пламени, дозированной подачей топлива, функцией самоочистки при помощи встроенного вентилятора, функцией самодиагностики;
- комфортное и надежное отопление в автономном режиме;
- широкий ассортимент бункеров для пеллет объемом 250, 500, 1000 л, текстильный бункер на 3000 кг;
- экономичный расход пеллет;
- встроенный охлаждающий контур для предотвращения перегрева – без риска повреждения котла;
- автоматическое выключение котла после догорания топлива;
- при необходимости использования дров, дровяных брикетов или угля горелка легко демонтируется из дверцы котла и отверстие закрывается заглушкой с теплоизоляцией.
- для управления котлом и системой отопления в качестве дополнительной опции можно установить погодозависимую автоматику ACD 01.
|
Горелка для пеллет ATMOS A25
Дозирование топлива: внешний шнековый транспортёр, управляемый системой электронной регулировки горелки.Пеллетная горелка ATMOS A25 изготовлена из нержавеющей стали и предназначена для качественных белых пеллет из мягкой древесины без коры диаметром 6 - 8 мм, длиной 10 - 25 мм и теплотой сгорания 17-19 МДж/кг.
Уникальные особенности пеллетной горелки ATMOS A25:
- Мультифункциональный дисплей
- Высокая эксплуатационная безопасность
- Соблюдение пожарной безопасности
- Адаптивность для разных пеллет и размеров
- Интуитивное управление
- Интегрированное управление буфером
- Функция контроля пламени
- Простота обслуживания
Управление горелкой: посредством электронной системы регулировки, управляющей работой шнекового транспортера, двух спиралей для розжига и вентилятора горелки. Электроника защищена предохранительным термостатом котла, защитным термостатом на устройстве подачи пеллет в горелку, датчиком оборотов вентилятора и фотокамерой для отслеживания пламени.
Разжигание топлива: автоматическое при помощи двух электрических спиралей.
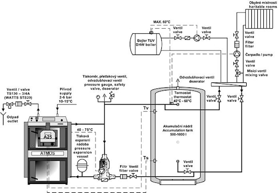
Варианты установки пиролизного котла для дров, торфобрикета, пеллет ATMOS
Рекомендуемые схемы подключения для экономичного и комфортного отопления
Для максимально комфортного обслуживания котла ATMOS и пеллетной горелки можно установить компрессорную очистку, которая удаляет шлак из горелки, образовавшийся при сжигании некачественных пеллет с примесью коры и грязи.
Полный каталог пиролизных котлов
Возможность использования различных видов твердого топлива выгодно отличает газогенераторные котлы длительного горения ATMOS. Любой вид твердого топлива - дрова, торфобрикет, уголь, пеллеты - сжигается в этих котлах с максимальной эффективностью и экономичностью.
Купить пиролизный/газогенераторный твердотопливный котел ATMOS C 25 ST для всех видов твердого топлива, проконсультироваться по техническим вопросам и монтажу котла и системы отопления, заказать установку дымохода, монтаж и доставку котла предлагает официальный дилер завода - компания "Торговый дом Атмос".
Если вы хотите купить комбинированный пиролизный котел ATMOS C 25 ST с пеллетной горелкой ATMOS A25 , вы можете:






