Комбинированный пиролизный котел ATMOS AC 25S с пеллетной горелкой ATMOS A25

КОНСТРУКТИВНЫЕ ОСОБЕННОСТИ
Одной из уникальных особенностей пиролизного котла ATMOS является верхняя дверца, в которую в любой момент можно установить пеллетную горелку.
Гарантия завода - производителя ATMOS 2 года, при обвязке твердотопливного котла ATMOS AC 25S с аккумулирующей емкостью гарантия 3 года!
![]() | ![]() |
1 - пеллетная горелка | 9 - винт крепления сибрала |
2 - пластмассовая ручка | 10 - сибрал |
3 - концевой выключатель | 11 - винты для крепления горелки |
4 - уплотнительный шнур | 12 - стопорный винт |
5 - крышка дверцы | 13 - гайки |
6 - изоляция | 16 - крышка |
7 - дверца с отверстием под горелку | 17 - сибрал |
8 - крепеж дверцы | 27 - крышка заглушки |
Теплообменник пиролизного котла на твердом топливе ATMOS AC 25 S представляет собой сварную конструкцию из европейской котловой стали толщиной 6 мм.
В верхней загрузочной камере установлена специальная дверца с отверстием для установки горелки для пеллет. Нижняя камера, в которой происходит процесс пиролиза, выложена специальным керамическим огнеупором для идеального прогорания всех сжигаемых веществ с высокой эффективностью.Позвоните нам +375 29 374 13 45 или оставьте запрос, чтобы купить пиролизный котел ATMOS AC25S со скидкой и получить дополнительные бонусы.
Газогенераторные твердотопливные котлы длительного горения ATMOS с возможностью использования пеллетной горелки являются конкурентной альтернативой для пеллетных котлов. В любой момент можно сделать выбор в пользу дров или пеллет.
Преимущества установки горелки в газогенераторном/пиролизном котле:
- простое решение по приемлемой цене;
- высокий КПД 89-92%;
- многофункциональная горелка с автоматическим розжигом пеллет, автоматическим гашением пламени, дозированной подачей топлива, функцией самоочистки при помощи встроенного вентилятора, функцией самодиагностики;
- комфортное и надежное отопление в автономном режиме;
- широкий ассортимент бункеров для пеллет объемом 250, 500, 1000 л, текстильный бункер на 3000 кг;
- экономичный расход пеллет;
- встроенный охлаждающий контур для предотвращения перегрева – без риска повреждения котла;
- автоматическое выключение котла после догорания топлива;
- при необходимости использования дров, дровяных брикетов или угля горелка легко демонтируется из дверцы котла и отверстие закрывается заглушкой с теплоизоляцией.
- для управления котлом и системой отопления в качестве дополнительной опции можно установить погодозависимую автоматику ACD 01.
![]() |
Горелка для пеллет ATMOS A25
Пеллетная горелка ATMOS A25 изготовлена из нержавеющей стали и предназначена для качественных белых пеллет из мягкой древесины без коры диаметром 6 - 8 мм, длиной 10 - 25 мм и теплотой сгорания 17-19 МДж/кг.
Уникальные особенности пеллетной горелки ATMOS A25:
- Мультифункциональный дисплей
- Высокая эксплуатационная безопасность
- Соблюдение пожарной безопасности
- Адаптивность для разных пеллет и размеров
- Интуитивное управление
- Интегрированное управление буфером
- Функция контроля пламени
- Простота обслуживания
![]() | ![]() |
Дисплей горелки: служит для изображения актуального состояния горелки и для настройки ее функционирования.
Управление горелкой: посредством электронной системы регулировки, управляющей работой шнекового транспортера, двух спиралей для розжига и вентилятора горелки. Электроника защищена предохранительным термостатом котла, защитным термостатом на устройстве подачи пеллет в горелку, датчиком оборотов вентилятора и фотокамерой для отслеживания пламени. Работа горелки сигнализируется на дисплее электронной регулировки.
Разжигание топлива: автоматическое при помощи двух электрических спиралей.
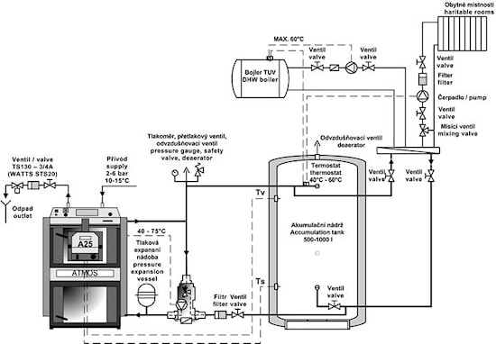
Возможные варианты установки твердотопливного котла для дров и пеллет ATMOS

Рекомендуемые схемы подключения для экономичного и комфортного отопления


Для максимально комфортного обслуживания котла ATMOS и пеллетной горелки можно установить компрессорную очистку, которая удаляет шлак из горелки, образовавшийся при сжигании некачественных пеллет с примесью коры и грязи.
Полный каталог пиролизных котлов

Возможность использования различных видов твердого топлива выгодно отличает газогенераторные котлы длительного горения ATMOS. Любой вид твердого топлива - дрова, торфобрикет, уголь, пеллеты - сжигается в этих котлах с максимальной эффективностью и экономичностью. Купить пиролизный твердотопливный котел ATMOS AC 25 S для всех видов твердого топлива, проконсультироваться по техническим вопросам, заказать монтаж котла и системы отопления предлагает официальный дилер завода - компания "Торговый дом Атмос".



Если вы хотите купить комбинированный пиролизный котел ATMOS AC 25S с пеллетной горелкой ATMOS A25 , вы можете: