Пиролизные котлы ATMOS
Чешский производитель твердотопливных котлов ATMOS – первопроходец в производстве пиролизных газогенераторных котлов - входит в тройку крупнейших европейских производителей отопительного оборудования. Сегодня в серийном производстве порядка 220 модификаций котлов Atmos, широко известные и безупречно зарекомендовавшие себя в том числе и на отечественном рынке отопления.
Почему мы выбираем пиролизные котлы ATMOS?
Чешский завод ATMOS - это современное высокотехнологичное производство с инвестициями в новые технологии и разработки, позволяющие на самом высоком уровне удовлетворить требования, предъявляемые к твердотопливным котлам и системам отопления. Качество продукции ATMOS начинается на этапе планирования и продолжается в процессе промышленного производства. Каждая составляющая технологического процесса подлежит контролю качества и обеспечивает его высокие стандарты.
Предлагаем купить пиролизный котел длительного горения ATMOS (Чехия) и заказать монтаж системы отопления в частном доме. Мы оказываем техническую помощь и поддержку на всех стадиях - проектирование системы отопления с твердотопливным котлом, подбор необходимой мощности котла отопления, подбор материалов, монтаж твердотопливного котла любой сложности, а также сервисное обслуживание. С 2007 года монтируем пиролизные (газогенераторные) котлы ATMOS, профессионально консультируем заказчиков по вопросам эксплуатации систем отопления. Монтируем котлы большой мощности по лицензии ГосПромНадзора.
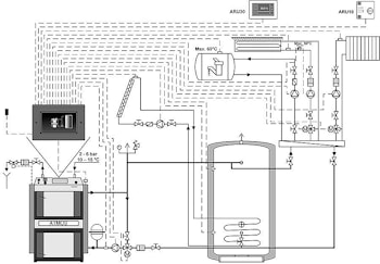
Наши работы: монтаж твердотопливных котлов.
Твердотопливные котлы длительного горения ATMOS применяются для отопления частных загородных домов, теплиц, складских и административно - производственных помещений, т.к. они отличаются большой разновидностью, высокой эффективностью, обеспечивают экологически чистое сгорание топлива и высоким КПД.
Разновидности твердотопливных котлов ATMOS:
- пиролизные котлы для сжигания древесины серия DC_S (мощность от 20 до 150кВт);
- пиролизные котлы для сжигания древесины и угля серия С_S (мощность от 20 до 50кВт);
- универсальные котлы для всех видов твердого топлива серия DC_SP и C_SP (мощность от 20 до 35кВт);
- автоматические пеллетные котлы (мощность от 14 до 80кВт);
- котлы с полугазификацией древесины серия D (мощность 20 и 30кВт).
Что такое пиролиз?
Главная его особенность такова, что при пиролизе пламя в котле направлено не вверх, как это обычно бывает, а совсем наоборот – вниз. И это не прихоть производителей, желающих таким «странным» образом выделиться. Это необходимое условие пиролизного процесса. Топливо в котле не горит, а только тлеет, выделяя так называемый «полезный газ». В случае использования пиролизного котла для дров, мы можем назвать его еще и «древесным». Именно этот газ, смешиваясь с воздухом, и горит, являясь основным источником необходимого тепла для нагрева теплоносителя.
Процесс газификации древесины (или угля ) (еще называемый пиролизом ) – является экзотермическим. На керамической решетке, благодаря ограниченной подаче воздуха, подожженные дрова не горят в полную силу, а только тлеют. Это абсолютно аналогично принципу производства древесного угля. Раскаленный докрасна слой древесных углей выделяет древесный газ. Этот газ смешивается со вторичным воздухом и сгорает в нижней топке, проходя через топочную форсунку при очень высокой температуре. Над раскаленными угольками, выделяющими древесный газ, образуется высокотемпературный слой, который обеспечивает предварительное подсушивание топлива и одновременно подогревает поступающий в зону горения воздух. За счет того, что подогретый воздух подводится непосредственно к форсунке, в процесс горения вовлечено не все топливо, а лишь необходимое количество. Поэтому у котлов ATMOS и не происходит колебания мощности, заданный режим стабилен во время всего процесса сжигания топлива, сколько бы его не осталось в топке.
Выбор в пользу преимуществ пиролизных котлов ATMOS?
- Основное достоинство газогенераторных котлов ATMOS - принцип пиролиза, который применяется только в чешских твердотопливных котлах. Пиролиз - разложение твердого топлива на топливный газ. Поэтому твердотопливные котлы ATMOS отличаются высоким КПД и значительно меньшими затратами на отопление.
- Не менее важным аргументом в пользу выбора твердотопливного котла ATMOS является вытяжной вентилятор, который удаляет неприятные запахи копоти и дыма и существенно облегчает процесс растопки котла.
- Грамотная и простая, технически продуманная до мельчайших деталей конструкция пиролизного котла, позволяет экономично расходовать топливо и рационально использовать бюджет и экономить на отоплении. Расходы на отопление котлом ATMOS ниже до 40 % относительно других твердотопливных котлов. Эта разница значительно ощутима при отоплении больших производственных площадей.
- В пиролизных газогенераторных котлах ATMOS происходит предварительная просушка дров прогретым вторичным воздухом, при этом значительно снижается образование дегтя и кислот, увеличивается КПД и срок службы котла.
- 100% европейское качество применяемых материалов - легированная сталь 6-8мм; специальные керамические вставки для защиты от прогорания и максимальной теплоотдаче - гарантированный срок эксплуатации в течение 5 лет!
- Да, пиролизные котлы дороже твердотопливных котлов. Но эта относительно незначительная разница в цене в течение нескольких лет окупается временными и финансовыми затратами на отопление и обслуживание котла.
- Если вам важно обеспечить свой дом качественным энергоэффективным отоплением, тогда следует обратить внимание на чешские твердотопливные пиролизные котлы ATMOS.
Где купить пиролизный котел ATMOS в Беларуси?
Купить твердотопливный котел ATMOS для отопления - важный и достаточно сложный вопрос, т.к. система отопления достаточно дорогостоящий этап в строительстве дома. Важно сделать правильный выбор в пользу того или иного производителя и выбрать достойное предложение от поставщика с хорошей репутацией.
Компания "Торговый дом "Атмос" занимает лидирующие позиции на белорусском рынке отопительного оборудования, входит в число крупнейших поставщиков с собственным автопарком, монтажным и сервисным подразделением, широким ассортиментом твердотопливных пиролизных и пеллетных котлов ATMOS, складской программой запасных частей и сопутствующих товаров для монтажа и обвязки котлов.
Решая купить пиролизный или пеллетный котел ATMOS в нашем салоне отопительного оборудования, можно не сомневаться в качестве котлов и высоком уровне профессионализма нашей организации.

